Today, I would like to introduce a very popular diy car: Mecanum Wheel Robot Car
Product name: V3 Mecanum Wheel Robot Car
Product size: 285mm*250mm*82mm
Performance characteristics:
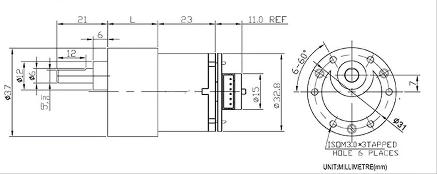
Aluminum alloy metal chassis, reinforced and durable, surface anodized treatment equipped with 37-520 gear motor, optional encoder motor and different tooth ratio.
37 Motor without encoder:
Simple and easy to use, two stages can be powered on and can be adjusted, but can not accurately control the speed can not get motor speed can not do closed-loop control
37 Encoder Motor(1:30,1:90):
37 Encoder Motor 1:30: High speed,Lower the load
37 Encoder Motor 1:90: Lower speed, Big the load
The motor can run with power and speed can be accurately controlled by algorithm (closed-loop control)
You can read the motor speed or feedback the motor position
To meet the needs of different customers, we can offer the following options:
Set A: 1 set Robot car + 4pcs motor
Sat B: 1 set Robot car + 4pcs motor + Game Controller+Driver Board+ UNO R3 Board

If you are interested for this product,please feel free contact with your sales!
.16修改(3).png)
.16修改(3).png)
Login